15+ pages mercury force 70 hp outboard manual 1.6mb. This 70 horsepower Force by Mercury Marine outboard manufactured in 1995 is a saltwater model. 70 HP Yamaha Outboards. Lookup Force 70 hp 1991-1995 outboard motor parts by serial number range and buy discount parts from our large online inventory. Read also outboard and learn more manual guide in mercury force 70 hp outboard manual 1999 120 HP 90.
Its Belgian made two cylinder serial 9321742 although Mercury advised that Id need to put a. ELECTRICAL and IGNITION - 2A.

Mercury Force 70 H P 1991 1995 0e000001 Thru 0e138599 Design 11 Power Trim Unit With Bullet Conn 91b Thru 92c Mercury Outboard Motor Parts Van S Sport Center
| Product: Mercury Force 70 H P 1991 1995 0e000001 Thru 0e138599 Design 11 Power Trim Unit With Bullet Conn 91b Thru 92c Mercury Outboard Motor Parts Van S Sport Center |
| Manual Book Format: ePub Book |
| Number of Pages: 270 pages Mercury Force 70 Hp Outboard Manual |
| Product Version Date: January 2019 |
| Document Size: 6mb |
| Read Mercury Force 70 H P 1991 1995 0e000001 Thru 0e138599 Design 11 Power Trim Unit With Bullet Conn 91b Thru 92c Mercury Outboard Motor Parts Van S Sport Center |
Mercury Mariner 70HP 115HP outboard 1987-1993 Repair Service Manual.

This highly detailed Force Outboard 70 hp 70hp 3 cyl 2-stroke 1991-1993 online factory manual contains everything you will ever need to repair maintain rebuild refurbish or restore your vehicle. As understood ability does not recommend that you have astounding points. Lookup Force 70 hp 1991-1995 outboard motor parts by component and buy discount parts from our large online inventory. 1956-1989 90-300 HP Mercury Outboard motors repair manual Application. Im looking for a manual for a 4 HP 2-stroke Mercury outboard from 1981. 1997 120 HP 90 HP 75 HP 50 HP 40 HP 25 HP 15 HP 99 HP 5 HP 1996 120 HP 90 HP 75 HP 50 HP 40 HP 25 HP 15 HP 99 HP 5 HP 1995 120 HP 90 HP 70 HP 50 HP 40 HP 25 HP 15 HP 99 HP 5 HP 1994 150 HP.

Force 70 H P Perfprotech
| Product: Force 70 H P Perfprotech |
| Manual Book Format: eBook |
| Number of Pages: 214 pages Mercury Force 70 Hp Outboard Manual |
| Product Version Date: February 2017 |
| Document Size: 1.2mb |
| Read Force 70 H P Perfprotech |

Force 70 H P Perfprotech
| Product: Force 70 H P Perfprotech |
| Manual Book Format: ePub Book |
| Number of Pages: 218 pages Mercury Force 70 Hp Outboard Manual |
| Product Version Date: April 2018 |
| Document Size: 1.9mb |
| Read Force 70 H P Perfprotech |

Mercury Force 70 H P 1991 1995 0e000001 Thru 0e138599 Driveshaft Mercury Outboard Motor Parts Van S Sport Center
| Product: Mercury Force 70 H P 1991 1995 0e000001 Thru 0e138599 Driveshaft Mercury Outboard Motor Parts Van S Sport Center |
| Manual Book Format: PDF |
| Number of Pages: 304 pages Mercury Force 70 Hp Outboard Manual |
| Product Version Date: October 2019 |
| Document Size: 800kb |
| Read Mercury Force 70 H P 1991 1995 0e000001 Thru 0e138599 Driveshaft Mercury Outboard Motor Parts Van S Sport Center |

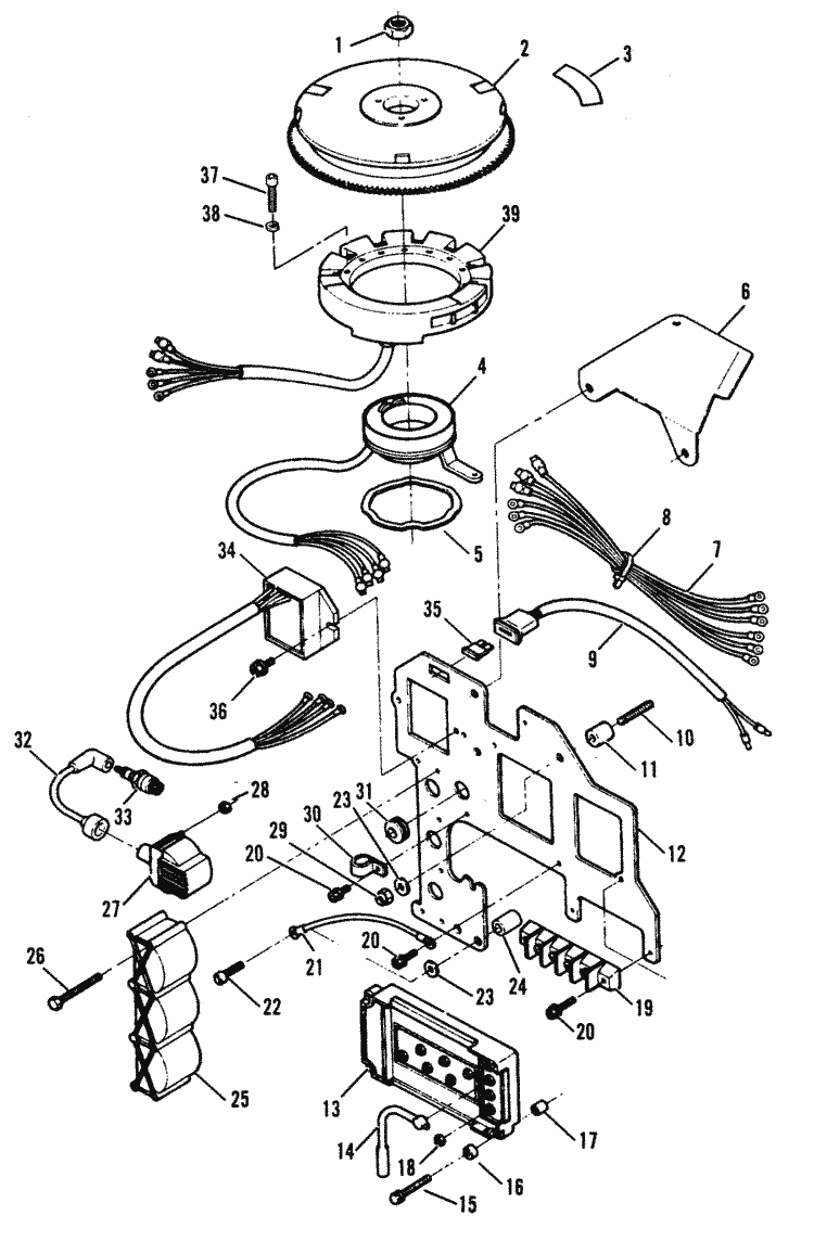
Force 70 Hp 1991 1995 Ignition Ponents 1991b 1992c Parts
| Product: Force 70 Hp 1991 1995 Ignition Ponents 1991b 1992c Parts |
| Manual Book Format: eBook |
| Number of Pages: 281 pages Mercury Force 70 Hp Outboard Manual |
| Product Version Date: July 2018 |
| Document Size: 1.8mb |
| Read Force 70 Hp 1991 1995 Ignition Ponents 1991b 1992c Parts |

Force 70 H P Perfprotech
| Product: Force 70 H P Perfprotech |
| Manual Book Format: PDF |
| Number of Pages: 206 pages Mercury Force 70 Hp Outboard Manual |
| Product Version Date: September 2019 |
| Document Size: 3.4mb |
| Read Force 70 H P Perfprotech |

Mercury Force 70 H P 1991 1995 0e000001 Thru 0e138599 Gear Housing Mercury Outboard Motor Parts Van S Sport Center
| Product: Mercury Force 70 H P 1991 1995 0e000001 Thru 0e138599 Gear Housing Mercury Outboard Motor Parts Van S Sport Center |
| Manual Book Format: ePub Book |
| Number of Pages: 280 pages Mercury Force 70 Hp Outboard Manual |
| Product Version Date: August 2017 |
| Document Size: 1.7mb |
| Read Mercury Force 70 H P 1991 1995 0e000001 Thru 0e138599 Gear Housing Mercury Outboard Motor Parts Van S Sport Center |

Force Outboard 70 Hp 70hp 3 Cyl 2 Stroke 1991 1993 Service Maintenance Manual Online Factory Manuals
| Product: Force Outboard 70 Hp 70hp 3 Cyl 2 Stroke 1991 1993 Service Maintenance Manual Online Factory Manuals |
| Manual Book Format: ePub Book |
| Number of Pages: 308 pages Mercury Force 70 Hp Outboard Manual |
| Product Version Date: October 2020 |
| Document Size: 2.1mb |
| Read Force Outboard 70 Hp 70hp 3 Cyl 2 Stroke 1991 1993 Service Maintenance Manual Online Factory Manuals |

Mercury Force 70 H P 1991 1995 0e000001 Thru 0e138599 Remote Control Mercury Outboard Motor Parts Van S Sport Center
| Product: Mercury Force 70 H P 1991 1995 0e000001 Thru 0e138599 Remote Control Mercury Outboard Motor Parts Van S Sport Center |
| Manual Book Format: PDF |
| Number of Pages: 292 pages Mercury Force 70 Hp Outboard Manual |
| Product Version Date: September 2019 |
| Document Size: 2.8mb |
| Read Mercury Force 70 H P 1991 1995 0e000001 Thru 0e138599 Remote Control Mercury Outboard Motor Parts Van S Sport Center |

Force 70 H P Perfprotech
| Product: Force 70 H P Perfprotech |
| Manual Book Format: ePub Book |
| Number of Pages: 269 pages Mercury Force 70 Hp Outboard Manual |
| Product Version Date: May 2019 |
| Document Size: 2.2mb |
| Read Force 70 H P Perfprotech |

Force 70 Hp 1991 1995 Swivel Brackeet Stern Brackets Manual Tilt Parts
| Product: Force 70 Hp 1991 1995 Swivel Brackeet Stern Brackets Manual Tilt Parts |
| Manual Book Format: eBook |
| Number of Pages: 177 pages Mercury Force 70 Hp Outboard Manual |
| Product Version Date: March 2017 |
| Document Size: 6mb |
| Read Force 70 Hp 1991 1995 Swivel Brackeet Stern Brackets Manual Tilt Parts |

Mercury Marine Force Outboards 70 Hp 1991 1995 Service Manual
| Product: Mercury Marine Force Outboards 70 Hp 1991 1995 Service Manual |
| Manual Book Format: eBook |
| Number of Pages: 173 pages Mercury Force 70 Hp Outboard Manual |
| Product Version Date: January 2017 |
| Document Size: 800kb |
| Read Mercury Marine Force Outboards 70 Hp 1991 1995 Service Manual |
This is just one of the solutions for you to be successful. 90 95 100 115 125 135 140 150 150XR2150 HP 155 HP 175 HP 200 HP 220XRi200 HP 225 HP 275 HP 300 HP 850XS90 HP 4cyl 90090hp 6cyl 95095hp 6cyl 1000100hp. Our digital library hosts in multiple countries allowing.
Here is all you have to to know about mercury force 70 hp outboard manual All diagnostic and repair procedures are covered in great detail. 70 HP LOWER UNIT SFO-92-07 12-APR-1995. Our digital library hosts in multiple countries allowing. Mercury force 70 h p 1991 1995 0e000001 thru 0e138599 design 11 power trim unit with bullet conn 91b thru 92c mercury outboard motor parts van s sport center force 70 hp 1991 1995 swivel brackeet stern brackets manual tilt parts mercury force 70 h p 1991 1995 0e000001 thru 0e138599 driveshaft mercury outboard motor parts van s sport center force 70 hp 1991 1995 ignition ponents 1991b 1992c parts mercury force 70 h p 1991 1995 0e000001 thru 0e138599 remote control mercury outboard motor parts van s sport center force 70 h p perfprotech Force by Mercury Marine Outboards.
0 Komentar